INTRODUCTION
An analysis of documented events [1,2,3,4,5,6] causing injuries to persons following contact with electricity shows that a still significant share (nearly 60%) in all such cases has a human factor, and the most common sources of shocks, indicated by Polish statistics from previous years (in the period 2016-2022 analysed on the basis of available sources), are:
– Incorrect behaviour of the employee,
– The involuntary behaviour of the employee,
– Incorrect use of protective equipment by the employee,
– The improper use of the material factor by the employee.
A smaller share in electric shocks has a directly incorrect condition of the material factor or improper use of it and improper organization of work and workstation. The material factor referred to in the statistics [1,2,3,4,5,6] is to be understood here as the whole of the machines, devices, equipment, apparatus and technical solutions for protection and protection against electric shock.
The available statistical data do not distinguish between the type of electrical grid and the values of the voltages present. However, they illustrate an important thing: it is necessary to use effective shock protection measures to limit the human factor. Due to the fact that the use of electrical appliances is so common at the moment, it seems that cases of shock are becoming, after all, inevitable. Although it seems impossible to completely eliminate the human factor, actions in the field of shock protection should aim at such selection, implementation and protection of the network to limit or prevent the effects of shocks.
In the light of the data cited, it should be considered that – regardless of the area of use of electricity – there may be a risk of electric shock wherever it is used. A special case of an industrial facility in which all elements of the power system (production, transmission, distribution, loads) are simultaneously present is, among others, a ship. In addition to its own electrical power plant, transmission lines, switchboards, in each of the compartments and rooms of the vessel there is a significant accumulation of machinery, apparatus and electrical equipment that potentially pose a risk of electric shock. Limited space, tightened work and service areas, increased humidity, as well as a special mode of work performed by service personnel are an additional risk factor in the operation of ship power grids.
SHIP’S ELECTRICAL GRID
In order to describe the area of the study, the following part of the article presents the architecture of a power ship network with an isolated neutral point, in which human body conditions will be simulated using selected body impedance models. The following description of the construction of the network is an introduction to the definition of the research environment to be taken under consideration.
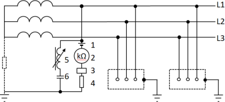
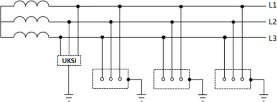
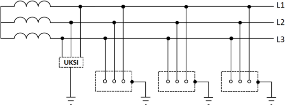
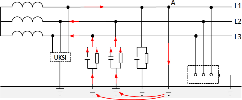
Ship power grids used nowadays are most often networks with an isolated neutral point (in the Polish national nomenclature marked as IT network systems [7], where I: the neutral point is either not connected to the ground/ship’s hull or is connected to an intermediate ground, T: each load (device) is separately connected directly to the ground/ship’s hull). The diagram of the network of this type with the marking of the insulation condition control device (UKSI) and three-phase loads with individual grounding of the conductive parts available shows the Figure 1.
IT networks have many advantages:
– Long-term work possibility with one phase directly grounded (it should be noted that the time of removal of a single earth fault is not defined) [8]. Operation in the conditions of a single-phase ground fault allows to increase the power supply certainty of loads powered in the grid by ensuring the continuity of electricity supply to the load even in conditions that should be considered as fault conditions.
– Low ground current values, resulting in increased fire safety.
– Limiting the value of the shock current in the case of contact of the body with the cable of one phase while maintaining high insulation impedance values of the remaining phases (e.g. the provisions of the Polish Register of Shipping provide for circuits with a supply voltage in the range of 125-500 V the minimum value of insulation resistance of electrical network cable circuits 1,0 MΩ [9]).
– The ability to control the state of insulation resistance and the use of control and measurement devices with the function of alarming and switching off the power supply in the case of detection of ground faults of single-phase or exceeding the minimum permissible values of insulation resistance of monitored circuits.
At the same time, these grids are characterized by certain disadvantages, the most important of which are:
– Lack of possibility of precise location of the place of occurrence of earth faults. In practice, the place of occurrence of a single-phase ground fault is detected by selective disconnection of loads, what – with an extensive grid and a large number of loads – relatively extends the duration of the earth fault and causes the need to temporarily turn off the power for some loads.
– The possibility of damage to grid elements and loads with the increase in voltage caused by ground short circuit.
– The necessity to ensure high service standards, especially in the field of constant control of the insulation condition and good level of training and operational awareness of personnel.
Although the regulations on vessels allow the use of other network systems in the area of low-voltage [9,10] grids, as well as non-standard and atypical solutions, their occurrence is sporadic and, in practice, a typical ship’s power grid is considered to be a system with an isolated neutral point of the power source.
The use of IT network systems is limited to areas and objects where high system availability and the ability to ensure continuity of power supply in the event of network damage is required, as well as in systems, where a high level of protection against electrical shock is indispensable. For this reason, networks with an isolated neutral source point are used onboard ships, in addition to health care facilities (hospitals), in the mining and chemical industries, in aviation as well as in the construction of temporary field power systems, for example for fire-fighting purposes.
Due to the characteristic structure of the grid with an isolated neutral point, it is necessary to use the aforementioned devices for controlling the insulation condition, whose task is to measure, monitoring and informing the user about the possibility of single-phase ground faults and about the reduction of insulation resistance.
GROUND FAULTS IN SHIP’S ELECTRICAL POWER GRIDS
The occurrence of a single insulation damage and the formation of a single-phase ground short circuit (short circuit to the ship’s hull – in the case of vessels with conductive hulls) is associated with the emission of energy by short-circuit current. With single-phase short-circuits, the short-circuit current does not stimulate the protection devices, guaranteeing continuity of power supply. The insulation condition control system shall signal such a situation so as to prevent the formation of a second short circuit, leading consequently to the black-out condition (power off). Unlike land networks, where there is not always the possibility of a quick response to network damage states, in ship networks, the service should be able to detect, locate and remove a single-phase ground short circuit relatively faster [11,12].
The diagram of a typical insulation status control system is shown in the Figure 2.
Fig. 2.
Typical ship’s electrical grid insulation status control system [12]. 1 – DC voltage source, 2 – Insulation resistance meter (Megohmmeter), 3 – singal relay, 4 – limiting resistor, 5 – inductor (suppressor), 6 – DC component blocking capacitor

It is worth noting that the commonly used solutions of insulation condition control systems do not allow to determine the value of the grid capacitance relative to the ship’s hull. Therefore, it is not possible to directly determine the value of earth fault currents of the capacitive type. The capacitance of the network depends, among others, on the capacitance of cable networks (treated as a distributed parameter) and on the capacitance between the loads and the hull and other local capacitances (treated as lumped parameters) – e.g. derived from the anti-interference filters used.
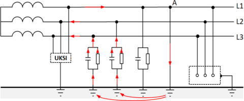
The Figure 3 shows the flow paths of short-circuit currents in the case of a single-phase ground short circuit to the hull of the ship, indicating the closing path of the short-circuit both through the insulation resistance and through the grid capacitance. Insulation impedance is represented by RC parallel branches marked in the drawing.
Fig. 3.
Single phase earth-fault in ship’s electrical network with neutral point isolated. A – earth-fault point [13]

The issue of continuous operational on-line measurement of ground capacitance during ship’s electrical grid operation (analogous to measurements of cable network insulation resistance by UKSI systems) has been undertaken many times, for example, for the construction and implementation of Capacitance Current Compensation Systems on Polish ships, or in mines [17,18,19,20,22]. Research and analysis of the possibility of wider use of compensation systems using earth-fault compensation with adjustable inductors [17,21], or using signal processor-controlled current sources [18] are still being conducted.
Existing legal regulations for the design and construction of marine power grids and guidelines for the introduction of mandatory shock protection measures on ships [9,10,23] do not include the use of systems for lowering ground currents derived from the capacitance of the electrical grid, arguing that there are no effective and proven measures in this area. Therefore, there is still a need to look for technical and organizational possibilities in the area of electrical shock protection of people.
In the further part of the article, selected models of impedance of the human body were analysed in the assessment of the possibility of electric shock in a ship’s network with an isolated neutral point when a ground short circuit of one phase occurred. The purpose of this analysis is to verify and evaluate the parameters of electric shock and critical network parameters given in the available literature (voltage and frequency value, insulation impedance – with particular attention to the network capacitance).
EXPERIMENTAL SECTION
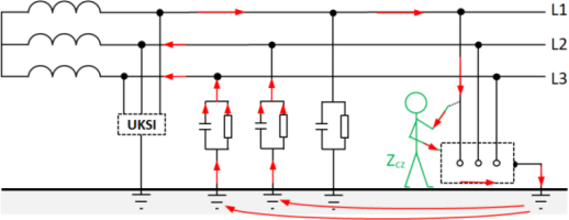
In order to build a model of human electrical shock circuit, a simplified ship power grid with an isolated neutral point of the power source network structure was considered (Figure 4). It was assumed that the shock is of tactile type, which is the most common case of shocks during the operation of ship equipment and electrical networks, and the flow of electricity occurs on the hand-hand path, in the absence of additional resistance, e.g. derived from complementary means of shock protection, and the impedance in the path of the shock current consists only of the impedance of the human body Zcz.
. Human body impedance models
Modelling of the human body impedance Zcz is associated with the need to apply a number of simplifications, resulting from the available data from research in the field of electropathology of electrical shocks. Previous studies on the effects of electricity on the human body included both comparative methods and direct methods involving living organisms (people, animals) [16]. The created models of the human body impedance take into account, among others, such parameters as:
– Resistance and capacitance of the epidermis,
– Resistance and capacitance of the keratinized layer of the epidermis,
– Resistance of tissues and internal organs on the electrical shock path,
– Psychophysical status and age of the electrocuted person,
– The hydration state of the body.
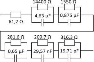
For the purposes of the analysis carried out in the article, four model methods of estimating the impedance of the human body were adopted:
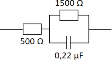
– Resistive model (A), often used in the literature for simplified determination of the values of shock currents. A contractual resistance value of 1000 Ω [24,25] has been adopted (Figure 5).
– Freiberger model (D), in which a touch surface of 0.01 m2, body resistance and epidermal resistivity according to Biegelmeier [16] were assumed (Figure 8).
The consideration of several impedance models aims to determine whether the models available in literature sources can be used in research on shock circuits in the network – as an alternative method to research on real objects that is impossible to implement from the ethical point of view.
. Simulation studies
In the assessment of the possibility of electric shock in the electrical grid adopted for consideration, a model study was carried out in the MATLAB-Simulink environment. A simplified network model with an isolated neutral point (Figure 9) was built, in which the initial parameters were assumed:
– 400 VAC voltage and 50 Hz frequency of power source.
– Active symmertrical power load (the Three-Phase Parallel RLC Load module of the Specialized Power Systems library was used). The analysis covered the unloaded network in the quasiidle mode, in which situation the expected shock current takes maximum values.
– Isolation impedance (coloured blue) composed of 1 MΩ resistance (minimum allowable value of insulation resistance according to [9]) and 0.14 μF capacitance (critical value of network capacitance according to [20]).
– Human body impedance Zcz models (coloured yellow) marked with indices A, B, C, D [24,25,14,15,16].
In the first phase of the experiment, the operation of the network model was checked assuming that for the limit parameters given in the literature [9] [20] (insulation resistance 1 MΩ, ground capacitance 0,14 μF) a ground fault current of a value exceeding the assumed dangerous current of 30 mA [16] would not occur. This assumption is also directly related to the approximate method of calculating the ground fault current IR in a grid with an isolated neutral point [26]:
where:IR – ground fault current,
Uz – supply voltage,
ω = 2πf – angular frequency,
CE – ground capacitance.
Assuming UZ = 400 V, f = 50 Hz, CE = 0,14 μF, expected ground fault current IR ≈ 0,03 A. This value is obviously greater than the self-releasing current, but it was taken as a reference value due to the fact that with an electric shock of this value fibrillation for human heart already occurs.
Therefore, it should be assumed that the current flowing through the additional impedance included in the short circuit, for example the impedance of the body, will not take a greater value. For the tested models, the results of the check presented in the Figure 10 were obtained.
The highest value of the earth fault current was obtained for the simplified model A, but it does not exceed the assumed value of 30 mA. It should be considered that current models A, B, C, D meet the condition of the above check.
In the next part, the model response to the change of power supply parameters was examined. A constant value of the insulation resistance of the network to the hull 1 MΩ and the value of the ground capacitance of the network equal to the critical value of 14 μF were assumed. The range of changes in the supply voltage was selected to include at least the permissible deviations of the voltage value for ship’s power supply source in accordance with [9]. Figure 11 shows the dependence of the IR shock current on changes in the supply voltage value while maintaining its constant frequency of 50 Hz.
Tab. 1.
Analysis of the impact of changes in the supply voltage Uz on the value of the shock current IR – selected points
There is a visible increase in the value of the shock current with an increase in the supply voltage. This relationship is important because it affects the option of designing areas of the grid with reduced voltage.
Simulation analysis was also subjected to the impact of changing the frequency of supply voltage on the value of the shock current. Frequency changes in the range covering at least the permissible frequency deviations in accordance with [9] allowed to formulate a conclusion analogous to the change in the value of the supply voltage: change in the frequency of the supply voltage, which is equal to changing the operating characteristics of the frequency controller, affect the value of the shock current.
The different character of the waveform for Model C (noticeable already in the analysis of changes in the supply voltage) results probably from the impedance parameters of RC branches assumed by the model authors [15] and is related to the way of solving this model by the MATLAB-Simulink package using blocks offered in the Specialized Power Systems library.
In order to analyze the impact of changes in insulation impedance parameters, separate simulations were carried out for changes in the insulation resistance Riso of the grid measured in relation to the hull of the ship and for changes in the ground capacitance CE of the grid for all models of body impedance considered.
The change of insulation resistance Riso in the simulation was performed for values from 1 kΩ 1 MΩ. The results are shown in Table 3 and in Figure 13.
Tab. 2.
Analysis of the impact of changes in the supply voltage frequency f on the value of the shock current IR – selected points
Tab. 3.
Analysis of the impact of changes in insulation resistance Riso on the value of shock current IR – selected points
The different character of the waveform for Model C (noticeable already in the analysis of changes in the supply voltage) results probably from the impedance parameters of RC branches assumed by the model authors [15] and is related to the way of solving this model by the MATLAB-Simulink package using blocks offered in the Specialized Power Systems library.
In order to analyze the impact of changes in insulation impedance parameters, separate simulations were carried out for changes in the insulation resistance Riso of the grid measured in relation to the hull of the ship and for changes in the ground capacitance CE of the grid for all models of body impedance considered.
The change of insulation resistance Riso in the simulation was performed for values from 1 kΩ 1 MΩ. The results are shown in Table 3 and in Figure 13.
The simulation shows that the change in the insulation resistance of the grid, even below the minimum safe value, does not cause a significant increase in the firing current, and such an increase is observed only at values indicating significant damage to the insulation. Therefore, the minimum value 1 MΩ adopted by the regulations should be considered highly safe, and the control of the insulation resistance status should create conditions sufficient to ensure shock safety.
The change of the ground capacitance CE in the simulation was performed for values from 0.05 μF to 30 μF. The results are shown in Table 4 and in Figure14.
Tab. 4.
Analysis of the impact of changes in ground capacitance CE on the value of shock current IR – selected points
The simulation revealed that the increase in the expected shock current above the critical capacitance value of 0.14 μF is significant, which may create hazardous conditions for humans. It can also be noted that individual models of body impedance give a different response to changes in the value of ground capacitance, which results from the nature of the construction of each model. The answer of the simplified resistance model allows to obtain the highest values of the shock current, which - for the accepted resistance value - allows to conclude, that its use in further research will allow for quick detection of dangerous values of the shock current in analysed circuits. Assuming that the actual values of the capacitance onboard ships are greater than the critical one [17,23] it can be concluded that the shock protection measures adopted and applied in shipbuilding are becoming insufficient.
CONCLUSION
In the course of the analyses and simulations, the behaviour of body impedance models in cases of shock in a ship IT grid was checked. The work of the constructed model of the shock circuit was checked for cases of changes in power supply voltage parameters and a simulation study of changes in the insulation resistance of the grid to the ship hull and ground capacitance was carried out to determine their impact on the value of the shock current.
The simulation studies showed that:
For the proposed in the literature methods of modelling the impedance of the body, different values of the shock currents are obtained. At the same time, all models show a similar nature of the response to changes in network power supply parameters and network insulation resistance parameters as well as the ground capacitance.
The simplified simulation model A allows for a safe estimation of the expected shock current due to the results obtained. At the same time, it should be noted that the value of body resistance 1000 O assumed in the model is an undervalued value in relation to real values.
All models presented in the article provide an answer consistent with the obvious results provided in the cited sources. Due to the simplification of the calculation method and maintaining a significant safety margin, the obvious choice for modeling is the simplified model A, however, the model suggested for use by IEC (Model B) provides a system response adequate to the currently applicable legal provisions and should be primarily used in simulation studies.
There is a relationship between the reduction in the value of the insulation resistance of the grid and the increase in ground capacitance and the possibility of dangerous shock currents when touched by one phase. It is absolutely necessary to use additional shock protection measures in the ship’s electrical grid when working near voltage and working under voltage condition.
It is necessary to apply measures limiting ground capacitance. The use of compensation systems for this capacitance is still problematic due to the fact that some of the proposed methods [17,21,23] make it necessary to include additional devices in the circuit, which could affect the effective isolation of the neutral point of the power source. Solutions should be sought to reduce the length of cable lines, for example by separating network sections or lowering the supply voltage in selected circuits.
Further work is planned by the author to find alternative methods of determining the value of ground capacitance in on-line mode and to look for structural and organizational solutions that can exclude the occurrence of expected dangerous values of shock currents resulting from the occurrence of capacitance grounding in marine networks with an isolated neutral point of the power source.











