INTRODUCTION
Power system analysis, being an important issue for years, is recently gaining even greater significance. Strong development of electrical grid, along with new technologies implementation induce the need to broaden or even retake earlier conducted studies. The greatest issue concerning power systems analysis is the inability to take some actions in real conditions. Such situation is caused both by high voltages within the grids and their constant operation that excludes forcing demanded operation states. Thus, modern power system analysis is based on computer software and mathematical modelling.
Due to analysis specific complexity not every available engineering and scientific software provides the ability to model and properly analyse power systems operation. MATLAB/Simulink is one of the most popular software commonly used by industrial companies and scientific institutions. Its wide range of toolboxes can be used in many different technical processes concerning different physical fields and phenomena. Among many of these branches, like mechanics, symbolic maths etc., electrical elements library can be found. Simulink provides wide range of models, from basic passive elements to even long line models considering wave phenomena.
MATLAB/Simulink software has also been used for power systems analysis, what was depicted in several scientific publications. Publication [1] depicts classical power system issue, which is a cooperation between single generator and an infinite power system bus. Not only does presented model include the machine itself, but a complete control system with excitation. The test grid is then analysed in terms of generator stability in case of its dynamic states. In [2] authors present the approach to use MATLAB/Simulink to analyse transients in multi-machine power system. For this purpose, 3-machine 9-bus power system and 10-machine 39-bus New England power systems were taken into consideration. Large disturbances were then implemented to observe the system’s response. Similar aspect, however in grid with greater participation of renewable energy sources, is presented in [3]. Paper [4] is another one that focuses on a topic of synchronous generator cooperation with external grid. Both mathematical models of governor and excitation system were considered during dynamic disturbances in the test grid.
In [5] authors conduct studies considering Smart Grid operation. Presented model includes both renewable and non-renewable energy sources and is used to simulate different types of faults impact on such power system operation. Paper [6] presents MATLAB/Simulink usage potential in very up to date issue, which is a cooperation between AC and DC grid within a specific AC/DC hybrid system. MATLAB was used for implementation of iteration methods commonly used for load flow analysis.
MATLAB/Simulink is also used for analysis focusing directly on renewable energy sources. In [7] and [8] authors present the model including both wind and PV renewable sources connected to external grid for analysing such power system’s operation with extra focus on hybrid system behaviour. The potential impact of these sources on conventional power grid has also been analysed.
Paper [9] illustrates another power system analysis approach, where MATLAB/Simulink is used as a base for additional toolboxes designed specifically for power systems analysis. MATLAB tools are used for grid structure design and calculation initialization, while further actions are carried out by external tools. Paper [10], on the other hand, shows the usage of Python language as a sort of competition for common simulation software used nowadays, providing even wider capabilities. Another important issue is raised in [11] which focuses on incorporating distributed energy sources and storage into the distribution network. This proves the importance of validating MATLAB/Simulink potential in terms of power systems analysis, as more sophisticated usages are occurring.
Power system analysis is strictly connected with automatics and control theory, as managing all crucial devices bases on their dedicated controllers. MATLAB/Simulink software is also capable of handling such analyses, which is proven by several publications. Papers [12] and [13] share the same topic, both concerning fuzzy logic usage for the design of specific controllers leading to power quality improvement. Not only do these cases show the potential of using MATLAB/Simulink for load flow analysis, but also for a more sophisticated cases concerning power quality. The software is used during a whole process, from the design of the controller to its evaluation in test grids. Paper [14], also complementary to two previous, presents another approach for controller design based on black widow optimisation.
Control systems are also designed specifically for managing the grids and their elements, where MATLAB/Simulink can be used. An example of such case is presented in [15], where an issue of transmission capacity improvement through a dedicated power flow controller is raised. Similar aspects, however regarding different approaches are depicted in [16] and [17]. Mentioned publications consider optimization for electrical grids with few non-AC elements, however focus on hybrid systems is also put. Such aspect is raised in [18], where a controller dedicated for battery energy storage systems is presented. A wider scope can be however observed in [19], where a controller for managing hybrid system including PV systems, battery, fuel cell and supercapacitor is described. The combination of elements is sophisticated on its own, and the aspect gain even more complexity taking their proper coordination into consideration.
Available literature review indicates, that MATLAB/Simulink software has so far been used in various studies concerning power system operation. However, the majority of these considered high-level complicated issues, thus the majority of these works was only simulation-based.
Power system analysis not only includes such complex analysis, but also simpler ones, like voltage distribution or power flow determination. Such subjects do not require advanced models, but the most basic electrical elements, yet are still valuable for evaluating electrical grid operation in different cases.
Growing availability of hardware power system simulators is another potential improvement in terms of power systems analysis. Such devices allow researchers to test their solutions in environment closer to real grids, yet still under controlled and demanded conditions. They can also be used to evaluate simulation studies results.
The outcome of conducted studies, presented in the paper, combines and compares two different approaches for power system simulation – the usage of well-known and respected MATLAB/Simulink simulation software and the physical representation provided by hardware simulator. The results provide material for comparing different MATLAB/Simulink tools not only in terms of their outcome relevance, but also as far as workload demanded during model design is concerned. The paper is to indicate the assets and drawbacks for each included tool for power grid modelling leading to overall assessment of tools provided by MATLAB/Simulink software. The aim is to indicate, which of them suits best for the specific demands of load flow analyses.
However, presented paper is a sort of a report of introductory studies conducted for the most typical and unsophisticated grid configuration. This will allow to observe elementary results uninfluenced by phenomena noticeable for more complex cases. Thus, further research should consider the widening these analyses for expanded study cases and also the inclusion of advanced conditions, such as power lines failures leading to the need for rerouting of power distribution, etc.
MODELS AND CALCULATION METHODS
The main goal of this work is to validate the fidelity of the power system models delivered by MATLAB/Simulink by the use of hardware power system simulator. Mathworks software allows users to use major electrical elements libraries, which are basic Simscape and its subtype called Specialized Power Systems. Not only do those libraries deliver a wide set of models, but also they provide tools dedicated for load flow analyses, crucial in terms of power systems studies. Thus, proper evaluation of MATLAB/Simulink models demanded inclusion of all these model types into the scope.
The assumption to use hardware power system simulator widened the possibilities of analyses, however it simultaneously forced the specific model configuration, according to available hardware modules. The simulator itself is a stock set of Smart Grid distributed by DeLorenzo. The device is equipped with crucial power systems modules in form of physical models, such as lines, transformers, breakers, loads, electrical machines, PV panel, etc. The illustrative view of a simulator used for studies is presented in Figure 1.
The simulator is by default designed for educational purposes, being equipped with predefined SCADA system providing variety of exercises concerning different issues of power systems. It is also distributed with set of laboratory exercises documentation and manuals. However, authors’ previous use of the device indicated its research potential, which caused e.g. the concept of presented work. Detailed information about power system hardware simulators can be found in [20].
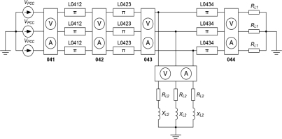
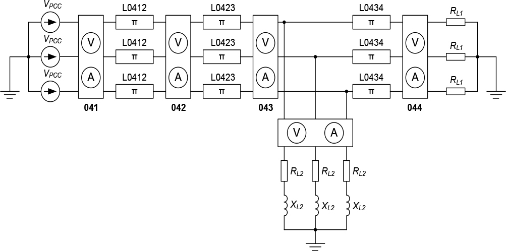
The general scheme of analysed grid is presented in Figure 2.
The test grid is a typical example of distribution grid, which operates as a radial grid. Such configuration was chosen due to its simplicity and ease of outcome prediction, what makes it a proper basis of comparison for different methods. The most important feature of this type of grid is one-directional active power flow, as the grid is supplied by one source only. The voltage distribution along radial grid can be expressed using (1):
where VPCC – voltage at point of common coupling powering the grid Vn – voltage at the furthest grid terminal, δVi – voltage loss between two following grid terminals.The total active and reactive power flow in radial grid can be generally expressed using, respectively, (2) and (3):
where Ptotal, Qtotal – total active and reactive power supplied to the grid, Pi, Qi – active and reactive power at specific grid terminal, ΔPij, ΔQij – active and reactive power losses occurring in power lines connecting two neighbouring grid terminals i and j.Given equations prove that radial grid is relatively easy to analyse, yet still representative for analysing fidelity of designed models, as power lines can be modelled differently, according to demanded details inclusion. Studies conducted during this work preparation are based on so called 3rd type power line scheme, which includes resistances, reactances and capacitive susceptances, according to Figure 3.
Chosen type of power line model is representative for overhead lines of rated voltage above 30 kV or cable lines of voltage ranges above at least 1 kV. The model includes line susceptances, as shown in Fig. 2. Total susceptance value for a whole line is divided by 2 and placed as two different susceptances situated at the beginning and ending of the line. Such solution provides sufficient accuracy and excludes more complicated analyses demanding the use of distributed parameters. The test grid supplies two three phase loads located in two farthest terminals. Load located in 043 terminal is a RL-type load, while device situated in 044 terminal is a set of light bulbs, so a R-type load.
All models are parametrized basing on the hardware simulator modules parameters, which were obtained by measurements. Tab. 1 presents the values of the loads while Tab. 2 shows the parameters of power lines.
Tab. 1.
Loads parameters
| Parameter | Unit | Load_1 | Load_2 |
|---|---|---|---|
| Ria | Ω | 220.853 | 1052 |
| Rib | Ω | 220.072 | 1036 |
| Ric | Ω | 221.389 | 1003 |
| Lia | H | 1.022 | 0 |
| Lib | H | 1.009 | 0 |
| Lib | H | 1.054 | 0 |
Tab. 2.
Power lines parameters
Models in MATLAB/Simulink were design using Simscape and Specialized Power Systems, including their load flow dedicated toolboxes. Figure 4 presents the structure of the model designed using basic Specialized Power Systems library.
The model consists of two parts: the power grid and measuring systems models. Power line models were self-made using basic RLC blocks. The remaining models use dedicated library blocks. The model itself is asymmetrical, based on the values measured for all phases of hardware simulator.
Active and reactive power measurement system uses three-phase PLL block that generates frequency and ωt signals according to input three-phase voltage curves. The output signals drive the blocks responsible for calculating active and reactive power using three-phase voltage and current signals. Additionally, three-phase voltage and current RMSs are calculated at each terminal.
There is also another measuring point implemented in the model, which is responsible for calculating active and reactive power drained by Load_1 from the 043 nod. The calculated powers values are futherly used for power losses estimation.
Model designed in Simscape is shown in Figure 5.
General structure of the model is similar to previously described Specialized Power Systems model (including self-made line model, this time designed using Simscape library blocks) and can be divided into grid model and measurement system model. Major difference is that Simscape model does not require PLL block to run active and reactive power calculation blocks. However, three-phase voltage and current signals are input to specific blocks via RMS processing blocks.
Model for load flow analysis tool use designed in Specialized Power Systems is presented in Figure 6.
The use of load flow analysis tool implemented in Specialized Power Systems library demands a bit different approach, than previously presented model. No additional signal processing blocks are used, despite of implementing specific load flow bus block. This element is responsible for transferring the simulation results from Simulink to Load Flow Analyzer tool. These results then become the initial conditions for further load flow calculations.
The model itself operates in three-phase structure, however proper calculations execution demanded the use of values for balanced system. Thus, all blocks parameters were symmetrized according to (4):
where xsym – symmetrized value of a parameter, xi – parameter value for i-th phase. The averaging of the network data is justified because of the relatively small discrepancies between the different phases (Tab. 1, Tab.2).Model for load flow analysis algorithm use designed in Simscape is presented in Figure 7. The approach to use Simscape for load flow analysis is again different not only comparing to both models in Specialized Power Systems, but also to Simscape basic blocks based model. Simscape library contains predefined models specific for load flow analysis. The major difference is that these models are symmetrical at the core. This solution forces the calculations execution for balanced systems. On the other hand, it is very comfortable, because no additional blocks or tools are used for load flow analysis.
As a sort of another verification tool, the test grid was also subjected to analysis using authors’ method of matrix-based iteration calculations. The method is based on idea of backward/forward iterative load flow calculation method [21, 22] and utilising transfer matrixes [23] which define for a given line the relationship (5) between receiving end voltage and current and sending end voltage and current. In the method used, the lines are represented by a π equivalent diagram, but the shunt parameters (capacitances) are different for the beginning and end of the line, as a result of the assumptions made earlier.
where:V1f – sending end phase to earth voltage,
I1 – sending end current,
V2f – receiving end phase to earth voltage,
I2 – receiving end current,
ZL – line series impedance,
YL1 – line shunt admittance for sending end,
YL2 – line shunt admittance for receiving end.
Initially, for the first iteration, the voltage value at the receiving end of the line is assumed to be nominal and, for an assumed loading (S2) the current (I2) is calculated (6):
Then, using (5), the voltage and current at the sending end of the line are calculated. This is backward step of the method. The voltage difference (voltage loss) between the sending and the receiving end is determined next:
In the next step line is iterated forward (towards node 2), assuming that the supplying voltage is known
With the new (updated) voltage at the receiving end, the current value (6) is recalculated and the iterations are repeated until the difference between the voltage value V2f and its new value is smaller than the accepted calculation accuracy. The method has good convergence, for the considered network, after 10 iterations an accuracy of less than 0.03V was obtained.
In case of networks containing several sections of lines connected in series, as in the grid considered in this article, the backwards and forward iterations are performed through successive lines, moving from the furthest node towards the supply point.
STUDIES AND RESULTS
All designed computer models were tested under the same conditions as hardware simulator. The study case was the analysis of normal grid operation. The grid was powered up with the nominal voltage and all the loads were switched on. In these conditions, voltages and powers in all grid nodes were observed. Models were analysed with voltage value of 393.86 V, which was complementary with voltage level of hardware simulator input terminal. All other parameters were compatible with those presented in Tab. 1. The simulation time was equal to 1 s, as all conducted analyses referred to steady states and were not dependant from time. Results obtained from multi-phase models were then symmetrized using (4) to make the comparison adequate for all models. Tables 3 to 6 compare all obtained studies results, and were followed by the graphical presentation in further figures. Tab. 7 presents average values of errors obtained for all compared methods. Acronyms used are as follows: HPSS – hardware power system simulator, SPS – Specialized Power Systems, Sim – Simscape, SPSLF – Specialized Power Systems Load Flow, SimLF – Simscape Load Flow, An – analytical.
Tab. 3.
Results for nods comparison
Tab. 4.
Results for terminal voltages errors comparison
| Parameter | Unit | 041 | 042 | 043 | 044 |
|---|---|---|---|---|---|
| δviSPS | % | 0.001 | -0.433 | -0.342 | -4.148 |
| δviSim | % | 0.001 | -0.424 | -0.332 | -4.136 |
| δviSPSLF | % | 0.005 | -0.427 | -0.338 | -0.544 |
| δviSimLF | % | 0.015 | -0.386 | -0.285 | -0.435 |
| δviAn | % | 0.015 | -0.836 | -0.744 | -0.950 |
Tab. 5.
Results for branches comparison
Tab. 6.
Results for branches errors comparison
Tab. 7.
Average values of errors for all methods
Figures 8, 9 and 10 present voltage distribution along the test grid and active and reactive power levels in following terminals.
Results indicate, that all models in Simulink properly map the grid configured on the hardware simulator. However, differences between specific models can be observed. In general, the most sig-nificant discrepancies are active and reactive powers between hardware simulator and computer models, where powers meas-ured in the simulator have lower values than powers from MATLAB/Simulink models. This is caused by the fact of implement-ing ideal elements within computer models – connection wires, me-ters, breakers resistances and reactances, used for connecting all the simulator modules, were neglected, what might have influenced the operation of the system as thermal effects were gaining greater impact during simulator continuous operation. Also the load param-eters could change throughout the simulations for this reason. Such effects are not present in computer models.
The accuracy of meters included in the simulator is stated as ±0,2% ± 1 digit for both voltage and current measurement, so re-sults obtained from it can be considered as faithful for comparison. However, meters used for measurements within the simulator are by default scaled in kilowatts and kilovars, what makes power measurement not as straightforward for lower values ranges. As this is not an issue for the analysis representing typical grid opera-tion, it might have influenced the values obtained during measure-ments conducted for purpose of different grid elements parametrization, especially when operating in no-load and lower loading con-ditions.
Although results obtained from the computer models differ from the simulator results in terms of absolute values, the shape of the curves remains similar. Both active and reactive powers distribution along the grid is identical comparing simulator to the computer models. What is more, the majority of results obtained from computer models are almost identical between each other. However, the exception can be noted as far as SPS Load Flow is concerned. The values of reactive power observed in nods 042 and 043 differ from other models. Such situation is caused by very specific approach to result presentation given by the software. The load flow analysis summary is recorded as a report, which can be furtherly analysed by the user. Such solution has an inconvenience, which is the fact of combining the reactive powers from the edges of neighbouring lines into reactive power flow at specific terminal. Thus, the analysis of reactive power flow along the grid demands additional calculation, which might lead to another inaccuracies.
Reactive power at each terminal was obtained using (9):
where Qi – actual reactive power at i-th nod, Vi – voltage at i-th nod, B(i-1), i(2) – line susceptance at the end of the line powering up the i-th terminal, Bi,(i+1)(1) – line susceptance at the beginning of the line powered up by the i-th terminal. Susceptance values were symmetrized according to (4).Another observation that needs emphasizing is the fact of difference between voltage levels at the end of the grid obtained from load flow analysis tool based models comparing to basic ones. Voltage levels obtained from basic models are about 3 percentage points lower than those obtained from load flow analysis tool based models. Such results suggest, that different calculation algorithms are used in these cases, what finally causes significant differences in final results. It seems, that in basic models the grid is analysed by the solver as a set of elements, not as a whole object with mutual interactions. These interactions are crucial in terms of load flow analyses, as the power injected in one place can be drained in multiple places, located in distant areas of the grid. Such effect is especially important issue in terms of power electrical engineering analyses, where voltage levels must remain within strictly defined admissible ranges in the whole grid. In discussed case, results obtained from the simulator, analytical solution and load flow focused models indicate, that the ending terminal operates with voltage level about its nominal level. However, results obtained from basic models suggest, that voltage level at this point is nearing the lower limitation and some external control actions might be necessary if further loading increases occur. Such situation is even more striking considering the fact, that reactive power values (crucial for voltage levels) at specific terminal do not differ, what may be caused by previously mentioned solver behaviour.
Figure 11 presents the active power losses in grid lines comparison between used modelling methods.
Results between different computer models are similar, yet they in some terms differ comparing to simulator results. In general, active power losses in hardware simulator were greater comparing to values obtained from computer models. In all cases, the biggest losses occur in line L0412, which is the longest and the most loaded within the grid. However, simulator results are different considering lines L0423 and L0434. Active power losses are greater in L0434, whereas in all computer models the losses in L0423 exceed losses in L0434.
Figure 12 presents the reactive power losses in grid lines comparison between used modelling methods. Please note the difference in terms of scale comparing to previous figure.
Presented results are another indication, that computer models represent the grid hardware model properly. General losses in hardware simulator were slightly lower than losses observed in computer models. Changes between reactive power losses in specific lines are similar in shape, however slight differences between values can be noted. The thing worth emphasizing is the fact, that despite differences between absolute reactive powers values at 042 and 043 nods in SPS Load Flow model, the power losses occurring in the lines are comparable to other models.
Figure 13 presents the voltage level error between the simulator, computer models and analytical solution.
Voltage, active and reactive power losses errors were obtained according to (10):
where δΔx –voltage, active or reactive power losses error, Δxmod – voltage, active or reactive power losses from specific computer model (and analytical solution), Δxsim – voltage, active or reactive power losses from hardware simulator.Presented voltage level errors are complementary with the results illustrated in Fig. 8. The highest noted errors were slightly above 4% and noted for terminal 044 for SPS and Simscape basic models. Those were the cases, where the voltage at the end of the grid differed from other results. In all other cases noted errors did not exceed 1% what indicates that models properly map the hardware simulator grid.
Figure 14 presents the active power losses error between the simulator and computer models.
Results indicate that lowest errors values were noted for line L0412 and the highest for line L0434. This is a consequence of situation observed in Fig. 11, where active power losses in L0434 were significantly higher in the simulator comparing to computer models. The highest noted error value occurred for Simscape basic model, whereas the lowest error value occurred for Simscape Load Flow model.
Figure 15 presents the reactive power losses error between the simulator and computer models.
Reactive power losses errors have lower values comparing to active power losses. Most importantly, results indicate that in terms of reactive power losses, line L0434, for which active power errors were the greatest, has the smallest errors values. The highest noted error value occurred in SPS Load Flow model for line L0423 and the lowest error, with value close to 0%, occurred in basic SPS model for line L0434. Such situation may be caused by the errors made during model parametrization process, what was mentioned earlier and by the thermal phenomena affecting the grid what can be observed for all elements. This also proves that measurements should be conducted in all grid terminals, as they are the places providing the management and control processes for the grid as a whole and its specific parts.
CONCLUSIONS
Presented analysis show that MATLAB/Simulink software offers a wide range of options in terms of power systems modelling. Four compared approaches are different considering both modelling procedure and results evaluation. As far as model design process is concerned, SPS Load Flow and Simscape Load Flow based models require the least amount of actions for proper model preparation. Thus, their structure (in terms of schematic and amount of function blocks) is the least complicated, what makes them the easiest for understanding and, most importantly, search for potential connection errors. However, SPS Load Flow demands more experience and awareness in terms of results analysis, as generated report follows its own convention that can be a bit confusing.
Simscape Load Flow model, on the other hand, does not require any further actions or calculations, as all the results can be displayed directly in the model scheme. The major drawback however is the limitation to use only symmetrized power source, what can sometimes complicate the analysis considering unbalanced or asymmetrical grids.
Basic SPS and Simscape models are more complicated in terms of structure comparing to load flow focused models. This derives from the necessity to use specific measurement systems models, allowing proper observation of active and reactive powers. The design process requires the greatest amount of actions and connections, but simultaneously allows the widest personalization and automation options. All observed parameters can be directly transferred to workspace and furtherly worked to achieve the form demanded by the user. What also needs to be emphasized, these models can operate both in steady state analyses and dynamic simulations. However, their greater complexity in terms of structure, comparing to load flow type models, does not translate to results accuracy, what was stated above. Both SPS and Simscape basic models were not accurate in terms of voltage levels at the end of the grid, having similar powers values at specific terminals.
Results obtained from the studies indicate, that models designed in MATLAB/Simulink are proper representation of grid configurated on the hardware simulator. All the trends and shapes of obtained curves were corresponding to each other and all the models are convergent. However, closer look to results in details shows some discrepancies. The highest noted error in terms of voltage level occurred for Specialized Power Systems model, followed by Simscape one. These were the earlier mentioned cases, where voltage levels at the ending terminal differed significantly from other obtained results. Taking this into account, these models need to be concerned as unreliable in terms of voltage changes representation. All other methods properly mapped voltage distribution along the grid. Among all others, Simscape Load Flow model have proven the best accuracy.
Active power was the parameter to have the greatest error in all used methods. The least error was noted for Simscape Load Flow model, and the highest for basic Simscape model. However, the difference between these two values is not as high, reaching slightly above 2% of average value. Such high errors noted for active power might be caused by previously mentioned factors including resistance changes along the grid deriving from thermal effects occurring during simulator constant operation.
On the other hand, reactive power changes were generally properly represented by all used methods. The worst accuracy was noted for SPS Load Flow model, which is surprising taking its purpose into account. The best accuracy was proven for basic Simscape model. This time the difference between two mentioned values is significant, exceeding 16 percentage points in average.
Taking all into account, however MATLAB/Simulink provides a wide range of tools allowing power system simulation, not all of them can be considered to be relevant in all cases. Judging from presented outcome, Specialized Power Systems and Simscape basic models are not faithful in terms of voltage distribution focused analyses. Discrepancies noted for these two models were significant comparing to all others, exceeding 4%. General range, in which voltage is allowed to change is generally 15% wide, so potential inaccuracy of 4% makes the outcome unreliable.
As far as active power distribution is concerned, all presented models are comparable. The discrepancies between all average error values were close to each other, leading to conclusion that all used methods share the same issues comparing to hardware simulator. This can be caused by the neglection of resistance changes regarding to thermal effects, what has been done in all computer models.
Reactive power flow was also generally properly mapped comparing to hardware simulator, however this time the difference between best and worst accuracy is the highest among all cases. Taking this into account along with the fact, that is was noted for SPS Load Flow model leads to conclusion, that its complexity and a bit confusing way of obtaining specific results makes its use complicated. Other models, which are easier to design and operate, have even better accuracy, so that their usage seems more reasonable.
Overall assessment of presented issues proves, that Simscape Load Flow tool is currently the best solution for analysing power electrical grids in terms of typical load flow analysis when using MATLAB/Simulink. This package is easy to use as far as model design and its further use are concerned. What is more, its simplicity in terms of model construction does not negatively influence the quality of outcome, which remains reliable. However, major drawback of this tool is that it doesn’t allow the straightforward use of asymmetrical models, making it unusable for unbalanced grids analyses. Another issue, that needs to be taken into account, is the need to take some specific actions in terms of further data processing and transferring.
Basic Simscape and Specialized Power Systems tools cannot be considered as appropriate for load flow analyses. However they presented adequate results in terms of reactive power, the outcome concerning active power values and especially terminal voltage levels showed significant discrepancies comparing to physical system. These tools are still suitable for analysing dynamic states in electrical systems, where detailed information can be extracted without the need to observe all mutual dependencies between the elements.
Concluding, MATLAB/Simulink software can be successfully used to model and analyse power electrical systems in terms of load flow. However, conducted studies considered only the most basic example of power grid, so deepened analysis of widened inference require considering more complicated study cases, such as ring grids and more elements, e.g. power transformers. Also, the inclusion of control systems models should be taken into considerations, as all power systems elements operate within wide control systems.














