INTRODUCTION
The characteristics of fixing objects on the executive links of technological equipment determine the maximum values of its force interaction with tools, which limits the productivity and technological capabilities of the equipment. The characteristics of the functioning and design of automatic fixation devices determine the dynamic characteristics of the executive link on which they are located, which also affects the performance and quality of the equipment. Also, these characteristics determine the reliability of holding the fixation object, which is especially important for safety-critical applications. The simplest and most common way to automatically fix objects that are processed in technological equipment is to clamp them [1], so such fixation devices are most often called clamping mechanisms (CM). One of the features of CM of the traditional structure is the way the input energy is supplied, which is used both for the fixation process and for holding the object. This significantly reduces the reliability of object holding due to an emergency loss or uncontrolled changes in the CM power supply characteristics (pressure, voltage fluctuations, etc.). Existing CM with geometric locking does not provide a stable clamping force value for workpieces with significant diameter deviations from their nominal values.
The actuator of a CM is the main part of it and defines the performance characteristics and influences the structure of the spindle units or executive links on which it is located. The rapid introduction and widespread use of electromechanical systems in modern technological equipment are obvious. This increases and explains the need for a new type of CM with electromechanical systems not only for new machine tools being designed, but also for the modernisation of existing units by replacing some of them in the CM, for example, the mechanical actuator of the CM with an electromechanical one. Therefore, the creation of CM with an electromechanical drive and the development of methods for their calculation determine the relevance of this area of research.
Existing studies do not evaluate automatic clamping mechanisms as separate subsystems to be developed and improved by changing their structure. In [1], the importance of measuring clamping forces in a clamping chuck and taking into account the influence of centrifugal inertia forces is highlighted. In [2], dynamic models are presented that describe the energy conversion characteristics of CMs with a rotating input link. The study of certain characteristics of backlash elimination in this type of CM to achieve the necessary settings for its functioning is revealed in [3]. At the same time, [2] and [3] did not study the characteristics of CMs built according to the proposed scheme, which determine the applicability of their use as part of the executive links of typical kinds of technological equipment and, in particular, spindle assemblies. In [4], the influence of the clamping chuck is discussed, but no information is given on the design and characteristics of the clamping mechanism drive. The possibility of controlling the clamping of thin-walled workpieces is considered in [5], however, it is not indicated how this can be used for automatic clamping mechanisms. The influence of centrifugal forces on the clamping process was evaluated in [6], but the possibilities of controlling its influence were not discussed. A scheme of the clamping mechanism for high-speed operation is presented in [7], nevertheless, no study of its characteristics determines the possibility of its use as a part of typical spindle assemblies. Issues relating to the machining of non-rigid, thin-walled workpieces are considered in [8], but no clamping mechanisms for solving the problem are given. The control of clamping forces for clamping thin-walled workpieces was investigated in [9], although a design suitable for automatic operation at high speeds was not presented. In [10], the problems associated with the operation of a hydraulically driven chuck are investigated, and the possibility of using an electromechanical drive is not considered. Methods for calculating the required clamping forces for thin-walled workpieces are presented [11], but no mechanisms are proposed that create a clamping force with a given value. Study [12] presents conditions for increasing the stability of turning flexible workpieces at different rotation frequencies but does not present proposals for changes to the clamping mechanisms. In [13], the analysis of the stability of spindles when speed is variable is presented, which indicates the possibility of their acceleration but is not shown adapting the clamping mechanism characteristics. In [14], the possibilities of using additive composites for use in clamping and manipulation devices are disclosed, but the working characteristics of the functioning of such fixation devices are not investigated. The paper [15] indicates the possibility of improving the stability conditions of the end-turning of flexible workpieces, but no suggestions for improving the characteristics of the clamping mechanisms were provided. Work [16] analyzes the effect of cutting forces on the collet but does not indicate the impact on the power interaction of the collet and its drive. The accuracy of positioning in a new type of clamping chuck is investigated in [17], but the influence of its design on the clamping force characteristics is not indicated. The peculiarities of providing damping by collet chuck were revealed in study [18], which indicates certain advantages of using this type of chuck in CM. New approaches to the formation of workpieces with an expanded range of material and design characteristics, e.g., brittle [19] and flexible [20], create the prerequisites for an increase in the range of machined parts in mechanical engineering and, as a result, new modes of machining and clamping work-pieces. This determines the need to investigate new types of CMs, in particular in terms of the possibility of adjusting the force characteristics and, in particular, the characteristics of their operation at high rotational speeds, which is necessary for efficient machining with low feeds.
RESEARCH METHODOLOGY TO DISCOVER THE CHARACTERISTICS OF THE PROPOSED CLAMPING MECHANISM
The purpose of the study is to determine the main characteristics of the clamping mechanism with the proposed type of electromechanical drive, which will allow a preliminary assessment of the possibility of its use in new designs and the modernisation of existing spindle assemblies to more fully utilize the potential capabilities of technological equipment. In order to achieve the objective, the following tasks are necessary:
– to develop a calculation scheme of СM including an electromechanical drive of an alternative design;
– to determine the main dependencies describing the characteristics of the output values and, in particular, the clamping forces;
– to evaluate the possibility of using the proposed drive design as part of the СM for its modernisation.
The object of the research is the automatic CM for use in executive links of technological equipment and especially spindle units that contains an electromechanical drive of a new design.
The subject of the research is the dependencies describing the main characteristics of the functioning of the automatic CM of the proposed design. The main hypothesis of the research is the compliance of the main characteristics of the CM of the proposed type with the conditions of use as a part of executive links of technological equipment, in particular, for its modernization. The assumptions made in these studies relate to the correspondence of the parameters of the structural elements (rotor, stator, helical gear, etc.) of the mechanism under study with their existing functional analogues. To simplify the study, friction is only considered in the main kinematic joints and the influence of external disturbances is not taken into account.
. Features of typical and alternative structures of clamping mechanisms
The most common typical structure of a mechanical CM that provides reliable maintenance of the clamped state of the object of fixation without external energy consumption based on the principle of geometric locking of the mechanism. This is most often realized through the use of a lever mechanism and an input link containing conical and cylindrical surfaces (Fig. 1). When the point of interaction between a large arm of a lever reaches the cylindrical part of the specially-shaped link, the mechanism becomes geometrically locked. Such a structure provides a constant amount of movement of CM elements, and what is essential are the clamping elements of a chuck. As a result, the CM system's stress state values will vary if the diameter of the clamping object deviates from the nominal values for which the CM is configured.
Fig. 1.
Mechanical CM’s actuator with geometric locking: a) functioning scheme in combination with a lever chuck (in the “clamped” state); b) general view of the mechanism (in the “unlocked” state)

This places significant limitations on the clamping of, uncalibrated objects. In addition, the presence of radially moving drive elements worsens the conditions for implementing and maintaining high-precision balancing of the spindle assembly. This disadvantage is common to all CM with geometric locking.
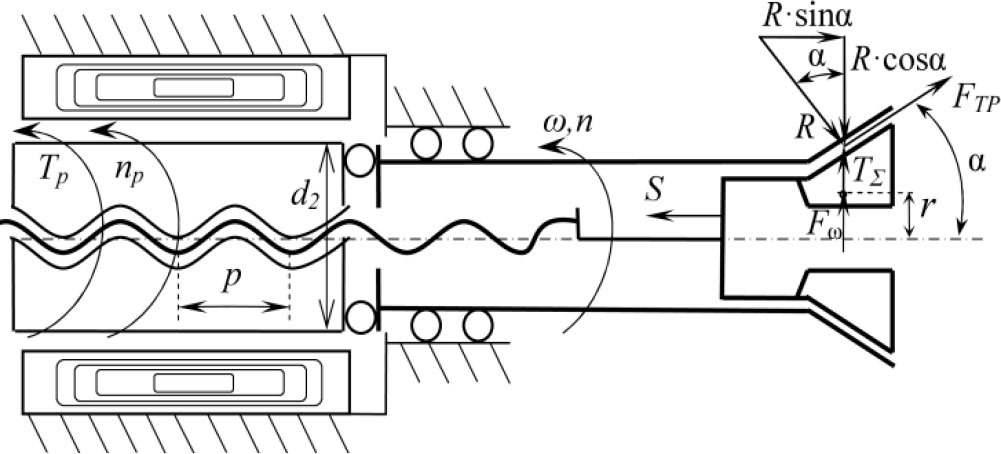
A new alternative structure of the electromechanical actuator of the CM has been designed based on the recommendations of previous research and structure-scheme synthesis [2]. The actuator with the new proposed structure is expected to have improved operating characteristics and is adapted to operate autonomously as well as at high rotational frequencies for use as part of a spindle assembly. The design of the proposed CM is devoid of most of the disadvantages of the hydraulic and mechanical prototypes and is protected by Patent 95323 (Ukraine). The CM drive is mounted at the rear end of spindle 1 (Fig. 2). Its body in the form of sleeve 3 is held against rotation relative to spindle 1 by key 2. Part of the external cylindrical surface of sleeve 3 is provided with an external threaded surface on which rotor 5 and nut 6 that restricts its stroke are screwed. On sleeve 3 there is also axially movable bushing 4 which has the possibility of simultaneous force interaction with cylinder 7 and rotor 5 via thrust bearings 18 (fixed with nut 19) and cylinder 17 which is rigidly connected to rotor 5. In the rear end of sleeve 3, there is installed drive bush 8 which can move in the axial direction and is capable of interacting simultaneously with nut 9 placed on drawbar 10 in the form of tube and cylinder 7 through a set of elastic elements 11. The preload of elastic elements 11 is provided by the nut 12 mounted on drive bush 8. The right end of drawbar tube 10 is connected to a clamping chuck (not shown in Fig. 2). Electric windings 13 are located on rotor 5 and can interact with electromagnetic windings 14 located on stator 15, which is rigidly connected to the spindle body 16.
The device presented (Fig. 2) works as follows. To perform the clamping operation, windings 14 of stator 15 are supplied with electricity. At the same time, a magnetic field is created around windings 14, which interacts with windings 13 of rotor 5 and gives them torque. As windings 13 are rigidly connected to rotor 5, this causes the rotational and translational movement of rotor 5 relative to body 3. The axial force from rotor 5 is transmitted through a set of structural elements to the end of drawbar 10, which is connected to the clamping chuck at the other end (not shown). The clamping process continues until the required clamping force is reached, which depends only on the parameters of the electric current supplied to stator windings 14 and is stable. This means that it does not depend on the radial dimensional deviation of the workpiece. The rotation-translation movement of rotor 5 and the clamping process stop when the required clamping force is reached, thus increasing the force opposing the axial movement. A moment of completion of the clamping (rotor stop) is reflected in the characteristics (pattern of change) of the electric current of winding 14. At the end of the clamping operation, the electric current supplied to stator windings 14 stops and the clamping force is maintained by the self-braking of the threaded gear between rotor 5 and sleeve 3. In order to initiate the process of releasing a workpiece, a current with characteristics is supplied to windings 14, which determine the movement of rotor 5 in the opposite direction to the clamping process, until it stops at nut 6, located on body 3. The workpiece releases under the elastic forces of the collet petals (not shown).
The design of the proposed clamping mechanism possesses the following advantages: no need for mechanical contact with the elements of a spindle unit for power supply; a few movable and complex elements and no radially movable elements improves the conditions of balancing a spindle unit; an absence of subsystems for the conversion and transfer of energy to the clamping driver (electrical energy is fed directly). In order to compensate for the loss of clamping force when machining at high frequencies of rotation, the presented clamping drive allows for changing the amount of clamping force by supplying power to the stator windings with the appropriate characteristics.
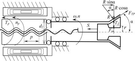
. Calculation of certain geometrical characteristics of the subsystems of the clamping device
For calculation parameters of the proposed CM the special calculation scheme (Fig. 3) is created.
For the calculation, the maximum output axial force that can be produced by the driver of CM is S = 20 kN. The thread screw transmission “rotor-spindle” is self-braking and has the diameter d2 = 85 mm and the pitch p = 2 mm. In order to reduce wear of the thread transmission it is reasonable to choose antifriction pair materials of the inner threaded surface (in the rotor) – cast iron and the outside thread (on the spindle) – steel.
Verification of the thread diameter by wear resistance condition is done with the formula:
where [σсм] = 4…6 MPa – permissible tension values of crumpling for selected materials; ψh = 0.75 – coefficient of height of the thread; ψH = 1.2 – length coefficient of internal threaded surface of the rotor. Accordingly to (1)The minimum length of the length of the threaded surface of the rotor H that is needed to provide calculated values of wear resistance, H = ψH · d2 = 1.2 · 38 ≈ 46mm. The value of pitch of a thread also was selected based on provided a self-braking ψ < ϕp, where ψ – an angle of rise of a thread turn; φp – the angle of friction in the thread. To greased, polished and fitted surfaces threaded friction a coefficient accept is fp = 0.07. The coefficient of friction fRP in the screw gear takes into account the influence of an angle thread profile and is determined from the fRР = fp/cosγp, where for a thrust thread γp = 3° – the angle of slope of the profile line of the thread. Considering the small value of the angle γp (cosγp = 0.999) in the thrust thread, equality fRР ≈ fp is accepted, which defines the angle of friction ϕp = arctgf ≈ 4°. The helix angle of the thread ψ = arctg[p/(π · d2)] ≈ 0.43°. Thus, with the selected thread pitch, a self-locking reserve (0.43° << 4°) is provided in the screw drive, which is necessary to prevent unscrewing in the event of alternating loads, vibrations and the occurrence of radial elastic deformations.
. Calculation of the power characteristics of the clamping mechanism
Axial force S, which is transferred from the rotor through the drawbartube to the collet, is counterbalanced by reactions of the spindle and clamping forces. To calculate parameters of the screw gear, the forces acting on the surface of the thread are conditionally replaced with concentrated force that is normal to the surface of the thread profile. Taking into account the small angle of the thread profile γp, we count it they are coaxial with the axis of rotation and with S. Tangential force Ft which must be applied to the rotor on its radius to obtain the required amount of axial force S is determined from:
Torque generated by a tangential force:
From (3) Tp = 0.5 · 0.085 ⋅ 20000 ⋅ tg4.43° = 66Nm.From expressions (1) and (2) the expression for finding the axial force S generated at the output of the actuator is obtain:
Forces in the collet clamping chuck can be calculated from the scheme (Fig. 3). In the calculation, the stiffness of the collet petals is neglected. The equation of a balance of powers which operate on the collet in conditional planes according to Fig. 3: in horizontal plane,
in vertical plane, where Т∑ – total radial clamping force; R – normal reaction that acts from the spindle cone; FTP – a force of friction on the cone of the collet and spindle; α – half of an angle of a cone of a collet; Fω – centrifugal force of inertia that acts on the petals of the collet chuck during its rotation around the axis. Taking into account Fω = m ⋅ ω2 ⋅ r; FTP = R ⋅ f and f = tgϕ the value S can be derived from (5) and (6): where m – the mass of the collet petals; r – the distance from the axis of rotation to the centre of weight of the collet petals; f – the coefficient of friction.As a prototype electric motor for the drive of the proposed CM a three-phase asynchronous motor with a squirrel-cage rotor is chosen as the most common type. Initial information for the calculation includes the previously calculated torque on the rotor Tp = 66 Nm, which is required to produce the maximum force S = 20 kN, and the maximum frequency of rotation of the rotor approximately 6000 rpm. Utilizing the kinetic energy gathered by the rotor during the free run can help to produce part of the force S. The relationship between the maximal torque that can be generated by an electric motor and its nominal value is limited by its resistance to overheating (properties of insulation materials, means of cooling conditions) and displays the motor's overload capacity. The overload capacity of modern motors reaches up to three times, and there are features of the electric motor, which is part of the CM drive, that contribute to increasing the overload capacity of the motor:
– a special positive feature of the proposed design of the CM drive is the possibility of controlling its operation and, as a result, the final stage of clamping during spindle rotation, which is assumed to be 5000 rpm;
– short-term mode of operation: the motor is turned on only for the time of clamping or unclamping (about 1 sec), which, together with the continued rotation of the rotor (with the spindle during machining) after the motor is turned off, creates good conditions for its active parts cooling.
Taking everything into consideration, it was agreed that the electric motor could overload about two times. Thus, the calculation of electric motor parameters was conducted with the condition of providing a nominal torque during work in long-duration mode M1 = 35 Nm.
Nominal mechanical power P1 of electric motor is determined from:
For the case of the operation mode of the proposed CM, which involves its functioning (changing the value of the clamping force) during the spindle rotation, the rotational speed n1 will be determined from n1 = np – n as relative frequency of rotation of the rotor, where np – the frequency of rotation of the rotor, n – the frequency of rotation of the spindle. According to (8), the motor power that should be used to drive the proposed СM:
Defined power is produced by the CM motor during the relatively short clamping time. After the clamping process is complete, the motor rotor rotates with the spindle due to the torque from the spindle drive. This rotation of the CM motor rotor contributes to its cooling for a period of time that is at least several times longer than the time of its operation under load. At the same time, the tension state of the system, which provides the clamping force, is ensured by self-braking. This load mode, which involves short-term operation and a long cooling period, provides improved opportunities for using motor loads above the rated values.
. Determination of the general dependence of the movements of the links of the clamping mechanism in the first stage of operation
The first stage of work of the proposed CM is characterised by the action of forces of dissipative (not potential) character since no tension is created in the system. The proposed CM design can be considered a system with one degree of freedom. The position of other elements of the clamping mechanism of the proposed design depends on the angle of rotation of the rotor Ωp, and is considered a generalised coordinate in this study. To conduct studies on the relationship between the movement of CM links in the general form is advisable to use Lagrange's Equation of second kind. With respect to the generalised coordinate Ωp, the divergent equation of motion will be written:
where E – kinetic energy of the clamping mechanism,During the operation of the SM mechanism, its kinetic energy E does not depend on the angle of rotation of the rotor Ωp, so the partial derivative of the kinetic energy E by the angle of rotation of the rotor
The kinetic energy E of the proposed CM can be defined as the sum of the kinetic energies of its links. In general, it can be expressed as:
where Jp is the moment of inertia of the rotor about the axis of rotation; m1 – total mass of elements moving in the axial direction with a speed of V1: masses of the rotor, draw bar (in the form of a pipe), collet and workpiece in the form of a bar (it is assumed that the bar moves with the collet at the moment of clamping); m2 – total mass of elements moving in the radial direction (clamping elements) with a speed of V2.Taking into account the characteristics of kinematic transmission, movements of links and theit masses can be reduced to the rotor. The kinetic energy of the CM links is expressed through the reduced moment of inertia as:
where Jr – is the moment of inertia of links of the proposed CM reduced to its rotor.The partial derivative of the expression of the kinetic energy E at the generalised velocity
Taking into account (11), expression (14) becomes:
The generalised force (torque) Qr can be derived from the equality of the elementary work of the forces acting in CM. That is, it is necessary to consider the virtual work of active forces acting in the mechanism at small displacements Δ:
where Tp – torque developed by the rotor of the CM motor during the clamping process,The motions Δx and Δy are functions of ΔΩp and can be determined in accordance with the characteristics of the CM kinematic chain and in particular gear ratios for a particular mechanism. After substituting Δx=f(Ωp) and Δy=f(Ωp) and performing the transformations (16) can be presented in the following form:
where the values ξ1 and £1 does not contain variables and is a function of the geometrical parameters of the mechanism links and the forces of their interaction.When substituting (17) into (15), the equation is formed as:
After the notation
Since
The solving the equation can be presented in the form,
Under the initial conditions when t = 0 and Ωp = 0 the value ln 2 ξ = X2, after substitution into the equation:
Formula (20) describes the dependence of the generalised coordinate Ωp on time. The positive or negative values £ in (20) can indicate the type of change of Ωp. That is, it contributes to preliminarily determine certain characteristics of the rotational motion of the CM rotor of the proposed type.
RESULTS OF DETERMINING THE CHARACTERISTICS OF THE CLAMPING DEVICE
As a result of substituting the expression (4) into (7) the ex-pression for clamping force in CM propose design is obtained and expressed in the form of the graphs (Fig. 4а, Fig. 4b):
Fig. 4.
Dependence of clamping force TΣ in proposed CM from: a) frequency of rotation of the spindle n when the torque of the rotor of Тр = 66 Nm; b) torque Тр, which appears on the rotor at frequency of the spindle rotation n = 5000 rpm

By using the obtained formulas, the dependencies of the clamping force versus the frequency of rotation (Fig. 4а) and the rotor torque (Fig. 4b) of the proposed CM are established. For calculation the next parameters were taken: m = 1.28 kg; r = 0.028·m; d2 = 0.085·m; φ ≈ 5°; φp ≈ 4°; ψ ≈ 0.43°.
From the preliminary assessments of the asynchronous electric motor design, the approximate geometric parameters of the motor parts that can be used in the proposed clamping mechanism have been approximately determined. In order to guarantee the characteristics of the motor determined by the calculations, the values of its stator outer diameter are in the range of 180-200 mm, its rotor diameter is 90-100 mm and its rotor length is 90-100 mm. These geometric parameters are approximate as they are based on the design of typical 4A series general-purpose motors and may vary according to the current characteristics selected and, consequently, the characteristics of the power supply and control system.
In accordance with current trends in the development of electric drive designs, it is possible to reduce the above dimensions by using special technologies for the manufacture of active motor elements and their cooling systems. Taking into consideration the values of the determined geometrical parameters, a variant of the CM design with a new electromechanical drive as part of the spindle assembly of a lathe is proposed (Fig. 5)
The dependence presented in Fig. 4a shows the opposite effect of centrifugal forces acting on the clamping elements on the clamping force when clamping a 40 mm diameter rod. This indicates one of the significant obstacles to the possibility of significantly increasing the spindle speed when machining workpieces with a diameter of more than a few centimetres. This can be seen as one of the limitations to increasing productivity and surface finish quality. As a result, it can be concluded that it is advisable to further develop approaches to the creation of automatic clamping mechanisms that make it possible to change the amount of clamping force on the workpiece during spindle rotation and, in particular, as it increases.
The graph in Fig. 4b shows the need to create a relatively large torque on the rotor of the CM drive of the proposed design. This indicates the expediency of further studying the possibilities of using another type of electric motor with a design of active parts adapted to increase the torque and, in particular, the type of windings. Also, the solution to this problem may be the use of additional converters of mechanical energy characteristics in the CM structure, for example, hydraulic ones. For example, a general scheme for the implementation of this principle of energy transmission and conversion in CM is proposed (Fig. 6). The axial force S1 from the rotor is transmitted to the hydraulic system plunger Pl1 which has a smaller diameter. It causes a pressure of working liquid and the appearance of a greater force S2 on the larger diameter plunger Pl2 that is supplying the inlet of the clamping chuck. This will make it possible to transfer mechanical energy from the clamping drive to the clamping chuck without using a drawbar tube with the amplification effect. Also, one of the most promising ways to obtain high values of torque on the motor rotor is to use vector control (field-oriented control) by an electric motor. This method requires the development of a detailed mathematical model of the clamping mechanism to be used as part of the motor control system. It gives the benefit of fine-tuned motor speed and torque control.
The revealed dependence (20) makes it possible to preliminarily assess the influence of the certain parameters on the movement of its links during the first stage of operation. In particular, positive values of £ indicate a monotonic increase in Ωp, which means a uniform rotational movement of the rotor. At negative values of £, local decreases and increases of the Ωp function are possible, which means rotational oscillations of the rotor.
DISCUSSION OF THE POSSIBILITIES OF USING THE CLAMPING DEVICE OF PROPOSED STRUCTURE
The presented design of an electromechanical drive for the clamping mechanism contributes to solving the problem of extending the range of conditions of clamping objects in the spindle units of machine tools. The proposed design provides better performance of the automatic clamping mechanism due to the contactless input power supply using electromagnetic interaction between the fixed stator and rotor located on the machine spindle unit. This solution offers new possibilities for controlling the characteristics of the clamping mechanism, including during spindle rotation.
The geometric, power and energy parameters of the proposed design of the automatic CM (Fig. 5) determined as a result of the study indirectly indicate the possibility of using mechanisms of this type as part of the spindle units of machine tools. The problem that was identified was the need to be able to provide a torque of 70 Nm and more. To solve this problem, and if it is necessary to reduce the overall dimensions of the clamping mechanism drive (which leads to a reduction in the torque of its electric motor), a variant is proposed using a hydraulic system (Fig. 6) to increase the value of axial force. The use of a vector control system for the operation of the drive motor is also proposed as an option for improving the performance characteristics of the drive while maintaining the same overall dimensions.
Fig. 6.
Scheme of the proposed clamping mechanism with electromechanical drive and hydraulic amplification system

One of the particular advantages of the proposed clamping mechanism drive design is the improved ability to retrofit existing spindle assemblies with its use. This is due to the fact that there is no need to create complex external power and control systems, as is the case with hydraulic and mechanical analogues. The clamping mechanism drive of the proposed design is controlled by electrical and electronic sub-systems, which greatly simplifies their integration into the machine structure.
The results presented will be used to develop an effective control system for the proposed CM (Fig. 5), which will contribute to expanding the technological capabilities of machine tools. The obtained equations (7) and (10) create conditions for the development of ways to automate the calculation of parameters of mechanisms of this type. The limitations of the results of these studies are due to the lack of data on production tests of the structural elements of the proposed CM. Also, the parameters of interaction between the CM of the proposed design and the machine control system operating in an automatic cycle have not yet been established.
The next logical stage of research will involve a more detailed development of the elements of the proposed design and the determination of their geometric and mass parameters. It is planned to carry out theoretical studies of the process of creating a stressed state of the mechanism, which occurs after the stage of gap sampling. The research will also include the development of a control system for the presented device. Longer-term research plans envisage construction of a working prototype and experimental studies to assess the reliability of the calculated results and, consequently, the theoretical framework and assumptions used to carry them out. In general, this research should become part of a research area related to increasing the productivity and quality of machining by improving the characteristics of the spindle assembly.
CONCLUSIONS
As a result of determining the main characteristics of the clamping mechanism with the proposed type of clamping drive, it is possible to assume that its use as part of spindle assemblies in machine tools is possible. The design features of the clamping mechanism of the proposed structure determine the improved possibilities of their use for the modernization of existing spindle assemblies including because the rotor diameter of the mechanism is within 100 mm and the stator is within 200 mm. As a result of the research, additional opportunities arose to evaluate the effects of the design features of the new type of clamping mechanisms on their characteristics and functional capabilities. In order to achieve the desired performance characteristics, the results of the study can be used to identify more suitable design elements for the mechanism. It is proposed to use a vector control system to control the mechanism's motor, which will help to increase the accuracy of the settings and extend their range. In order to ensure the required force characteristics of the mechanism while reducing the radial dimensions of its drive, a scheme for using an additional amplifying hydraulic system is proposed. The calculation method presented can also be used as a basis for further development of such type mechanisms and for automating the calculation of their parameters.


