INTRODUCTION
To describe the transmission of electrical energy in circuits, various physical quantities known as powers are utilized, particularly in systems designed for specific purposes. In the context of single-phase circuits with sinusoidal current and voltage waveforms, three key types of power are defined: active power P, reactive power Q, and apparent power S. Understanding these individual powers is crucial for both design and operational purposes. Active power, consumed by businesses, public institutions, or individual households, forms the basis for financial settlements between energy suppliers and consumers. Apparent power is equally important, as it is needed for the proper design of electricity-generating devices and transmission equipment, including transformers, transmission lines, and circuit breakers. Reactive power emerges in the system alongside active power when the load is not purely resistive, leading to a phase shift between the current flowing through the circuit and the supply voltage. The concepts of active, reactive, and apparent power in single-phase circuits with sinusoidal voltage u(t) and current i(t) waveforms were thoroughly described in the 19th century.
Active power [1]:
Reactive power [1]:
Apparent power [1]:
where:U – voltage effective value,
I – current effective value,
φ – phase shift angle of current relative to voltage.
The relation that connects all types of power is called the power equation and for sinusoidal waveforms takes the form [1]:
Power devices designed for the transmission of electrical energy are developed with the maximum apparent power in consideration. The energy supplied to and consumed by the end user is characterized by active power. In situations where there is a phase shift, the active power is less than the apparent power. Consequently, the transmission capacity of devices optimized for apparent power is not fully utilized. This results in higher effective supply current values, which consequently lead to increased transmission losses. The parameter that indicates the efficiency with which the energy source's transmission capacity is utilized by the receiver is referred to as the Power Factor [1]:
This factor equals 1 when there is no reactive power present, meaning the receiver does not induce a phase shift between current and voltage. For purely sinusoidal waveforms, the Power Factor (PF) is represented by cosφ.
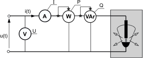
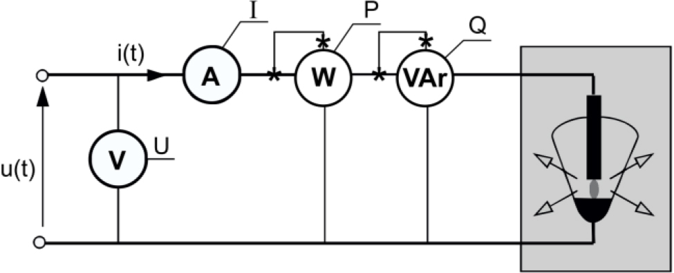
In 1892, Charles Proteus Steinmetz conducted an experiment with an electric arc [2]. In the arrangement shown in Figure 1.
Steinmetz noticed that in a circuit with an arc lamp, despite the lack of phase shift, i.e. in the absence of reactive power defined classically according to equation (2), the apparent power is greater than the active power [2]:
This means that according to equation (5), the power factor of the arc lamp is less than 1. The difference between equations (5) and (6) is due to the presence of a non-sinusoidal current in the circuit with the arc.
Currently, nonlinear and periodically switched receivers cause current and voltage waveform distortions in power systems. The increasingly widespread use of renewable energy sources introduces electricity into the system generated using power converters that provide voltages that have only an approximate sinusoidal waveform. Designing new systems and operating current ones is an increasing challenge. Proper description and interpretation of physical phenomena in non-sinusoidal waveforms is becoming increasingly important.
Steinmetz's observation initiated a discussion on the energy properties of circuits with non-sinusoidal waveforms. The debate, doubts and research continue to this day. The problem is to provide an unambiguous and universal description of the energy transfer phenomenon and to define individual powers. The description of these properties and the set of interpretations of energy phenomena is called power theory.
REACTIVE POWER THEORIES
As a result of work over a hundred years, many power theories have been developed. Many of them are considered imperfect. In the literature, we can find many works questioning the validity of individual theories.
The most widespread theory describing energy phenomena occurring in circuits with non-sinusoidal waveforms is the theory presented by a professor at the Polytechnic University of Bucharest, C.I. Budeanu [3]. Since the reactive power Q in circuits with sinusoidal current and voltage waveforms is calculated from formula (2) and this power is the amplitude of the oscillating component of the instantaneous power p(t), i.e. the speed of energy flow between the power source and the receiver:
According to the assumptions of Budeanu's theory, active and reactive powers for non-sinusoidal waveforms are the sum of the powers of individual harmonics. So, for active power the definition is as follows:
For reactive power:
The B index at reactive power QB means reactive power according to Budeanu's theory. The sum of the squares of the active power and reactive power is less than the square of the apparent power, therefore the power equation has been supplemented with the distortion power:
The concept of distortion power is relevant only when dealing with non-sinusoidal currents and is often used to interpret physical phenomena in these types of circuits. Despite the widespread acceptance of Budeanu's theory, there are several doubts regarding its overall accuracy and applicability. Many authors have analytically demonstrated that Budeanu’s interpretation of distortion power lacks a solid physical basis. In some instances, there is no correlation between the distortion power (D) and the actual distortion of the waveform. Furthermore, the issue of power compensation remains unresolved within the framework of this theory.
The second most widespread power theory is presented by Professor Fryze. He was sceptical of Budeanu's theory and the analysis that involves decomposing signals through Fourier series. Professor Fryze argued that it is possible to describe phenomena in non-sinusoidal circuits without breaking down the signal into individual harmonics. The foundation of his theory is the assertion that the receiver with the best energy properties, when viewed from the power supply side, is one that has no susceptance. This type of receiver can be represented using conductance Ge [4].
where ||u|| is the effective value of the voltage, which in the case of harmonic excitation is equal to the square root of the sum of the squares of the effective values of the individual harmonics, that is:
The current flowing between the source and the receiver with the conductance Ge has the same course as the supply voltage. It is called the active current and has the value:
This current flows in the circuit if the receiver consumes active power P. Since the effective value of this current depends on the active power drawn by the receiver, therefore:
The remaining part of the current flowing through the receiver is harmful because it increases the effective value of the supply current and does not give any useful effects in return. This current is called reactive current:
The index F in the equations means quantities according to the Fryze theory. The receiver current has only two components: active and reactive:
The author of the theory showed that the reactive current is orthogonal to the active current. Therefore, the effective values of the current components satisfy the relation:
By multiplying both sides of the equation by the square of the effective voltage value we obtain the Fryze power equation:
And the reactive power itself is defined as:
The author of the method successfully determined the system's energy parameters without relying on Fourier series.
In 1972, W. Shepard and P. Zakikhani [5] published another theory, which proposed that current as a function of time can be divided into two components: the resistive current iR(t) and the reactive current ir(t). These components are treated as harmonic spectra and are orthogonal to each other.
where:φn – phase shift between current and voltage harmonics,
αn – initial phase of n-harmonic current,
βn – initial phase of n-harmonic voltage,
As a consequence, the dependence of the expressed power was obtained by the formula:
The equation mentioned above does not account for active power, which is a primary reason for the criticism of this theory. Nevertheless, it offers a practical advantage by enabling the determination of the optimal compensation capacity for inductive load currents. In subsequent years, the equation was enhanced with the concept of complementary reactive power, as described by the relationship in reference [6]:
Therefore
Many theories of electric power have been published to date, including Buchholz [7], Curtis [8], Depenbrock [9], Kusters and Moore [10], A. Nabae, H. Akagi, Y. Kanazaway [11] and Czarnecki [12]. Despite so many theories and such a long time that has passed in research, we still do not have an answer to the question of what reactive power is and what it is responsible for. Therefore, after almost 100 years, Budeanu’s and Fryze's definitions of power and Illovici's concept of currents and voltages [13] have reappeared in the circle of interest. The works of many researchers show the imperfections of individual theories and go towards finding a universal description of phenomena occurring in systems with non-sinusoidal waveforms [14,15,16].
This article explores the potential of using simulation techniques to analyse circuits with non-sinusoidal voltage and current waveforms. To validate the proposed solutions, both arithmetic calculations and simulation results will be compared against tests conducted on real components. Additionally, the article will examine the application of Budeanu's theory to a circuit where the current waveform does not exist throughout the entire period T.
. Analytical interpretation
As mentioned in the introduction, many theories are supposed to clearly describe the transfer of energy in both sinusoidal and non-sinusoidal waveforms. Scientists worldwide are trying to confirm or disprove the validity of individual theories. In this article, the authors will try to check the usefulness of simulation methods for verifying specific examples that are supposed to confirm or disprove individual theories.
The first example under study is the circuit cited by Professor Czarnecki in his article [17]. In this article, the author analytically solves a circuit consisting of a sinusoidal power source with zero impedance, a triac, and a purely resistive load. The circuit is shown in Figure 1.
Based on the mathematical proof presented, which relies on Budeanu's power theory, it can be concluded that in a purely resistive system, reactive power is observed. However, this situation does not reflect reality, as a purely resistive load cannot store energy. Consequently, there can be no oscillation of energy between the source and the load, meaning that reactive power cannot occur. The current waveform in the circuit, assuming a sinusoidal supply voltage waveform, is illustrated in Figure 2.
From the current waveform graph it is clear that the instantaneous power of the receiver calculated from formula (25): where:
where:u(t) – instantaneous voltage value,
i(t) – instantaneous current value,
always takes a positive value, so there is no energy oscillation in the system.
Continuing the calculations according to Budeanu's theory, the author calculated the first harmonic of the current signal in the case of a typical mains voltage supply
The result obtained from arithmetic calculations should be interpreted in such a way that energy oscillations between the source and the receiver are not necessary for the occurrence of reactive power, Such a result does not agree with the physical interpretation of reactive power.
The first problem we encounter in this situation is the inconsistency of the physical interpretation of reactive power with the analytical results obtained.
The second problem is the correct application of Budeanu's power theory. Indeed, the first harmonic of the current in this circuit will be shifted relative to the supply voltage, but it should be mentioned here that the total reactive power and active power should be calculated as the sum of the powers of the individual harmonics:
If we assume for power calculations in the circuit that the current waveform is distributed into individual harmonics, and leave the supply voltage in the shape of a pure sinusoid, the results obtained in the article [16] will be confirmed and we will be able to show the imperfection of the theory. However, if we recall that energy transfer occurs only when energy is drawn by the receiver, i.e. only in those time periods in which the current flows, then only these time periods should be taken into account for the calculations of the supply voltage. In the case under consideration, it would also be necessary to analyse the load voltage into individual harmonics using the Fourier series. With such an application of the power theory, it turns out that there is no phase shift angle between the first harmonic of the current and the first harmonic of the voltage - cosφ1 = 1. In such an interpretation of the power theory, we will not deal with the occurrence of reactive power.
As you can see, algebraic calculations carry many problems and ambiguities regarding the interpretation of individual issues. Hence the authors' proposal to try to use simulation tools to verify the calculations and confirm the results in relation to real physical phenomena occurring in circuits.
. Simulation studies
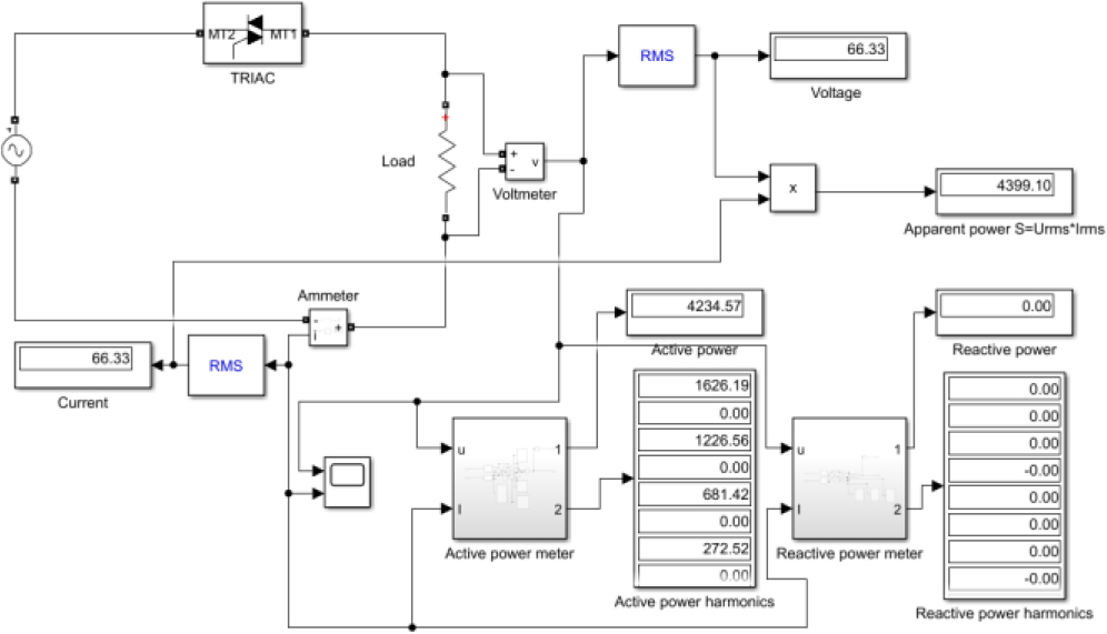
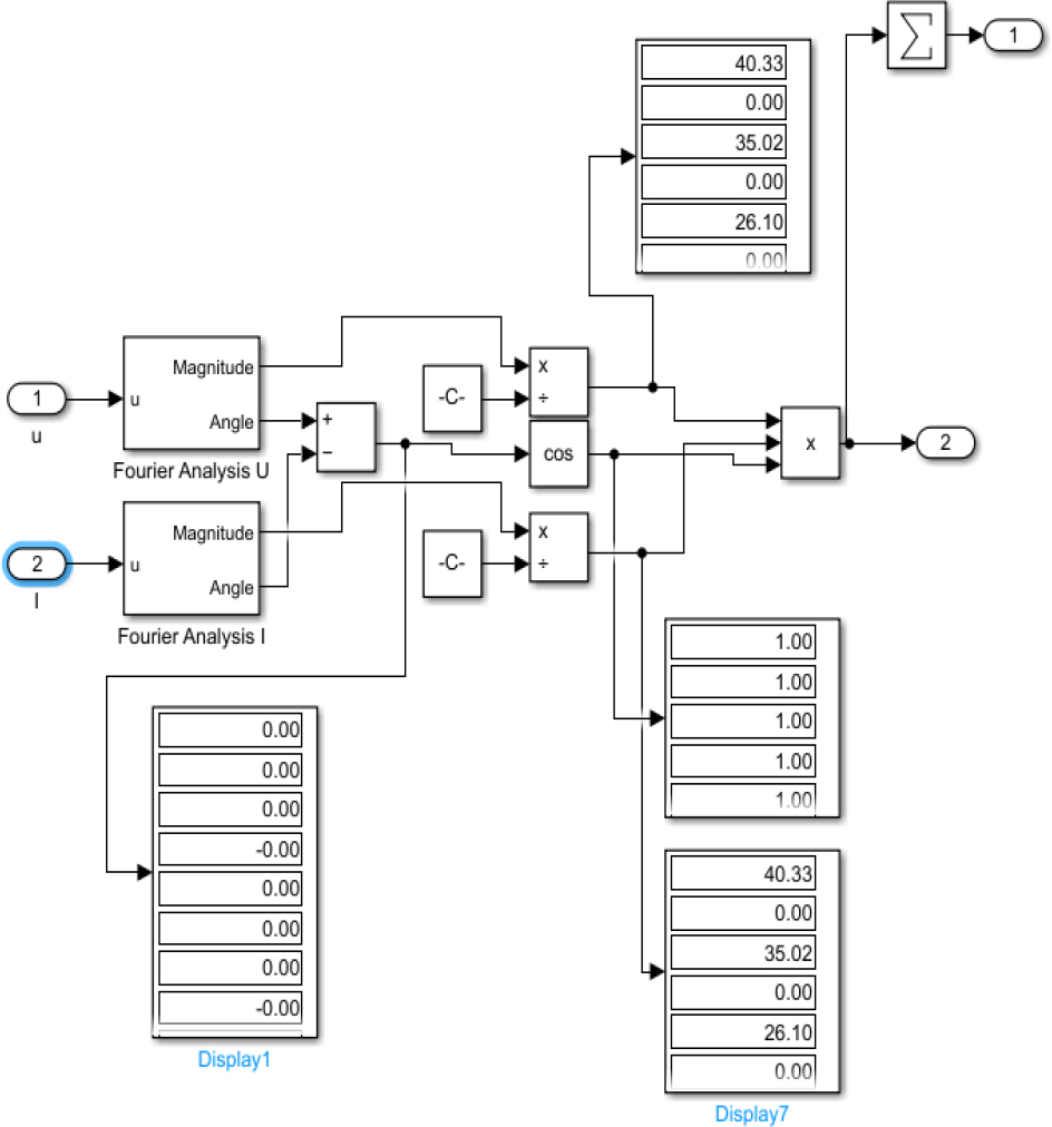
Simulation studies were conducted in the MATLAB–Simulink environment. The circuit depicted in Figure 1 was assembled, with all component parameters selected according to the analytical calculations. Measurements were taken using a voltmeter and an ammeter, while power measurements were based on the principles of Budeanu's theory. The circuit diagram is presented in Figure 3.
The system was built using blocks from the specialized power systems library. The library allows you to build basic electrical circuits and perform calculations using three selectable methods:
– Continuous, which uses a variable-step solver from Simulink®;
– Discretization of the electrical system for a solution at fixed time steps;
– Continuous or discrete phasor solution.
The powergui block also opens tools for steady-state and simulation results analysis and for advanced parameter design.
As can be seen in the diagram, in addition to the standard blocks from the "specialized power systems" library, it contains the "Active power meter" and "Reactive power meter" blocks. These are elements created for the needs of the simulations carried out. Their task is to calculate active and reactive power by the assumptions of the Budean theory. The functional diagram of these blocks is shown in Figure 4. Block -C- is a constant with the value of √2
The tests were carried out in two variants. In the first, the wattmeter, consisting of a voltmeter and an ammeter, was connected in such a way as to measure the source voltage and the current flowing in the circuit (Figure 5a). In the second variant, the voltmeter was connected to the system in such a way as to measure the voltage directly at the receiver (Figure 5b). The use of both variants is intended to verify whether the theoretical description is universal enough so that regardless of the connection, the power consumed by the only receiver in the system is the same.
The tests were carried out for 3 different triac ignition angles:
– α = 0° - fully sinusoidal waveform,
– α = 90° - a waveform in which half of the time passed without energy transfer
– α = 135° - waveform with parameters from the article [16]
The simulations at different ignition angles were conducted to verify the correctness of the simulation operation under different conditions. At the same time, it was possible to confirm the results obtained for well-known conditions such as a pure sinusoidal waveform. The results of the simulations are presented in Table 1.
Tab. 1.
Simulation results table
The results presented in the table highlight several key observations: The method of connecting the voltmeter impacts the calculation of power consumed by the receiver, even when only a single purely resistive receiver is present in the system. Since a purely resistive receiver cannot generate reactive power in the circuit, the simulation results may be inaccurate in certain cases. This issue arises from a misunderstanding of how to calculate apparent power and reactive power, particularly when relying on the first harmonic of the current, as outlined in equation (28). When the wattmeter is connected as shown in Figure 5(a)—the conventional method used for energy meters in both residential and industrial settings—the first harmonic of the current will indeed be phase-shifted relative to the first harmonic of the total supply voltage. The variations in voltages and currents for this setup are illustrated in Figure 6.
This text presents a simplified application of Budeanu's circuit theory, focusing on the total supply voltage waveform for calculations. It is important to remember that energy transfer takes place only during the moments when both voltage and electric current are present. Therefore, if current flow does not occur throughout the entire duration of the supply voltage signal, we should not use the full supply voltage signal for calculations. Instead, we should only consider the time intervals in which actual energy transfer occurs. For example, this situation occurs when we connect a voltmeter directly to the load. In this case, we will observe both the voltage and current waveforms during energy transfer (see Figure 7).
As can be seen in the graph, the voltage waveform on the receiver is different from the supply voltage. In this case, if we apply formulas (29) and (30) to the calculations, we will obtain a result that is confirmed by physical phenomena. In a circuit with a purely resistive receiver, there is no reactive power, regardless of the triac ignition angle. In such a circuit, there is also no phase shift between individual voltage and current harmonics.
Repeating the calculations from the article in a simulation manner confirmed the results obtained algebraically, provided that the full supply voltage signal is accepted for calculations. In the case of using the voltage waveform resulting from the load current waveform, the simulation results agree with the physical interpretation of energy transfer with a resistive load.
In Table 1, slight differences can be observed between active and apparent power in system b when measuring signals that are not full sinusoids. At a Triac firing angle of 90°, the apparent power is 24.2 kVA, while the active power is 23.8 kW, with no reactive power measured. Similarly, at a firing angle of 135°, the apparent power is 4.4 kVA and the active power is 4.23 kW, again with no reactive power. These differences do not stem from any physical phenomena; rather, they are not errors resulting from the calculation method used. Instead, these discrepancies arise from the limited number of harmonics included in the simulation calculations. In this case, the authors restricted the number of harmonics to 30 to reduce computation time. These errors can be minimized by increasing the number of harmonics, and they do not indicate that the method is incorrect but rather highlight its limitations.
As can be seen from the simulation results presented above, it is possible to perform calculations using the specialized power systems library and obtain results consistent with theoretical assumptions. Another problem is the selection of the appropriate mathematical apparatus and the proper interpretation of its assumptions.
. Research on a real object
In order to confirm the correctness of the results obtained by simulation, the real circuit was tested based on the circuit from Figure 1. Due to the high current values used for algebraic calculations and simulation studies, of the order of over 200A, the system for testing the real object was built with a load of higher resistance in order to limit the current in the circuit. The scale used does not affect the possibility of confirming the results obtained analytically in practice. The experiment parameters were selected as follows:
As part of the tested circuit, Gwinstek GPM-8213 wattmeter were connected, enabling the simultaneous measurement of voltage, current, active power, reactive power, apparent power, total harmonic distortion (THD), and power factor (PF). The results from the tests conducted on the real object are presented in Table 2.
Tab. 2.
Real object results table
Fig. 8.
Real object test results: a) power and power factor measurement, b) signal waveform on a resistive load

By comparing the results obtained from the simulation in Table 1 with those from the real object in Table 2, we can conclude that the simulation studies accurately reflect the nature of physical phenomena. The measurements taken demonstrate that current measuring devices, which operate based on established theories, can sometimes indicate values that do not correspond to real-world situations. For instance, in the case of a discontinuous signal throughout the period of changes, a wattmeter may suggest the presence of reactive power in a circuit that is purely resistive (see Figure 8).
CONCLUSION
The research presented in this article makes several fundamental observations.
Theories of power, which have been studied and developed for over a century, are not completely unambiguous. Researchers worldwide are attempting to mathematically describe the phenomena occurring in electrical circuits. While this has been successfully achieved for direct current (DC) and alternating current (AC) with purely sinusoidal waveforms, there are several challenges when dealing with non-sinusoidal waveforms. Applying theoretical principles without considering the specific characteristics of a given circuit and separating calculations from physical interpretations can lead to erroneous conclusions, such as the appearance of reactive power in a circuit with a resistive load.
Simulation studies facilitate a significant simplification and acceleration of circuit analysis compared to analytical methods. However, it is crucial to ensure that, similar to theoretical considerations, the research reflects the real physical phenomena occurring in the circuit being studied.
In both methods of solving circuits, a key condition is that energy transfer occurs only during the flow of electric current. Therefore, with discontinuous signals, the effective value of the supply voltage cannot simply be used; instead, the actual effective value of the voltage must be calculated based on instantaneous values. In this context, the RMS value of the supply voltage does not equal the effective value of the voltage at the load.
Currently manufactured digital measuring instruments calculate the apparent power as the product of the RMS supply voltage and the RMS current flowing through the circuit. This can lead to incorrect calculations of reactive power and power factor (PF) values, especially when the signals are not purely sinusoidal.
In the next phase of research, the authors aim to develop an analytical approach to describe the phenomena occurring in electrical circuits while addressing the identified imperfections.







